联系我们|网站地图专业生成销售机械格栅,内进流格栅,微滤机。厂家直销,价格实惠,欢迎来电咨询。

机械格栅,内进流格栅,微滤机-无锡市贝利康环保设备有限公司

全国统一定制热线: 18921293237

热门点击: 价格多少钱?怎么选型?型号及参数表、有几种

XLCS旋流沉砂池除砂机(钟式沉砂池)

发布日期:2020-04-01 11:57:45
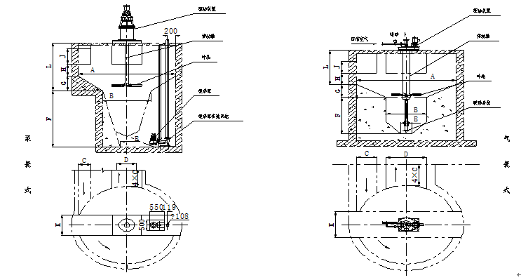
  一、XLCS旋流沉砂池除砂机(钟式沉砂池)简介:
 
  旋流沉砂池除砂是利用水力旋流,使泥砂和有机物分开达到除砂目的,广泛用于城镇宾馆、厂矿企事业单位及城市大、中、小型水处理工程中前置预处理工序。
 
  二、XLCS旋流沉砂池除砂机(钟式沉砂池)构造:
 
  由叶轮、传动轴、电机、减速器和吸砂系统组成。由于叶轮桨板向上倾斜,旋转时使池中污水作螺旋运动,加上因污水切向进入,产生与叶轮旋向*的旋流,池中的污水形成涡螺流态。在适当的叶桨倾角和线速度条件下,污水中的砂粒将受到冲刷并仍保持理想的沉降效果,而原来附着在砂粒上的有机物以及重度小的物质将随污水一同流出旋流池。另外,由于叶轮旋转,减少了旋流池因进水量变化导致流态变化的敏感程度,确保了沉砂池稳定、出砂的有机成分含量低等特点。
 
 
  三、XLCS旋流沉砂池除砂机(钟式沉砂池)工作原理:
 
  采用涡流叶轮技术进行分离沉砂,气压提升进行排砂相结合的原理,对水源中的砂砾等无机固体物脱除。
 
  原水从进水口进入沉砂池,沿池体形成环流,并在驱动装置工作下,由传动轴带动分离叶轮,与环流同向旋转,使沉砂池内水流在较小的功率作用下,形成较大的涡流状,将水体中的固体颗粒物在自身的重力作用下产生一个离心加速运动,被甩向池壁。由于砂粒在这过程中产生相互碰撞,从而使有机物与砂粒分离。可以通过调节叶轮的深度与转速,控制沉砂池内污水的旋流速度,除砂效率较稳定,受流量变化的影响较小。
 
  砂粒在叶轮作用下与有机物分离,并沿着池壁的斜坡面下沉到池体底部的锥形斗内,固液分离后的水流流向出水口导至池外进入下道水处理工序进行进一步深度处理。
 
 
  沉砂斗内沉砂逐步增聚,当达到一定量时,开启排砂管阀门,并同时开启排砂管与空气管相联通的阀门,部分空气沿排砂管流出,把排砂管内空气一起带出排净,造成负压,同时开启空气冲洗管5-10min,使沉积在底部的砂粒松动,此时沉砂斗内的固体颗粒物在池内水压作用下由排砂管排出池外进入砂水分离器,排净后即关闭阀门。依次循环进行,完成脱除砂砾、无机颗粒固体物。
 
  四、XLCS旋流沉砂池除砂机(钟式沉砂池)技术特性:
 
  旋流沉砂池除砂器利用水力旋流和叶轮旋转的轻微离心力双重作用,让泥沙与较轻的悬浮物(有机物)分离,充分发挥了水力旋流作用,保持了占地少,处理停留时间短,沉砂效果好,砂水可分离性强,除砂可靠(尤其是污水中的无机砂砾)等特点。

上一篇:旋流沉砂池 下一篇:

旋流沉砂器

全国服务热线

18921293237